工程拖链产品系列-3


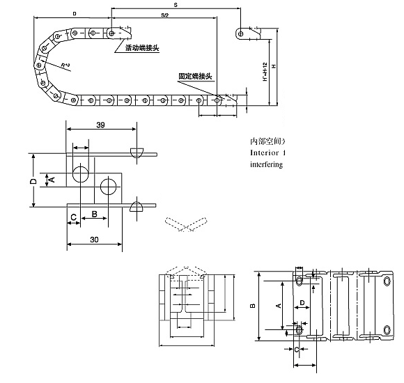
TKP025系列桥式拖链联接器规格表

型号
A
B
C
D
018
5
8
8
25
025
11
14
8
36
038
34
55
17
30
050
35
66
17
30
057
44
74
17
30
077
60
91
17
30
0103
85
119
17
66


型号
内腔I.D
高×宽
外径O.D
高×宽
回转半径R
不支承长度M
最长行程m
型式
总高度H
允许承重kg
抗拉强度
每米节数
018
18×18
25×38
45
1.5
70
上盖可活动
110
2
222N
22
025
18×25
23×30
45
1.5
70
110
2
222N
22
038
25×38
35×54
68
1.5
70
170
2
222N
22
050
25×50
35×65
40
1.5
70
115
2
222N
22
057
25×57
35×72
100
1.5
70
240
2
222N
22
077
25×77
35×92
76
1.5
70
182
2
222N
22
0103
25×103
35×118
103
1.5
70
240
2
222N
22

(1)移动速度快、允许温度-40/130 ℃,颜色黑、红、黄、白,允许承重每增加1米可加0.01kg.
(2)订货标记、型号、规格、高×宽、R、长度。